什么是 JYZ型液壓隔膜式計量泵
JYZ型液壓隔膜式計量泵是一種能按照工藝流程要求,具有行程可在 0~100% 范圍內無級調節定量輸送各種液體,且在較大行程時被輸送介質的計量精度為 ±1% 的通用機械設備。適用于輸送溫度為-30~120℃,粘度為 0.3~800mm2/s 的不含固狀顆粒的介質 。

JYZ型液壓隔膜式計量泵是一種能按照工藝流程要求,具有行程可在 0~100% 范圍內無級調節定量輸送各種液體,且在較大行程時被輸送介質的計量精度為 ±1% 的通用機械設備。適用于輸送溫度為-30~120℃,粘度為 0.3~800mm2/s 的不含固狀顆粒的介質 。
可調計量范圍:0-250L/H
較大壓力承受范圍:0-25MPa
驅動方式:電機驅動
控制方式:手動、自動控制
配置方式:泵頭保溫、冷卻、電機可配防爆
1、綜合了機械隔膜式與柱塞式計量泵的雙重優點。
2、噪音小,經久耐用。
3、吐出壓力較高一款系列可達500KG。
4、定量輸出,在泵運行或停止時也可任意調節流量,計量精確度到正負百分之一。
5、通過液壓及N型曲軸機構來傳遞動力,性能平穩。
泵頭部位材料 |
工作條件 |
計量泵頭:SUS304、SUS316 |
環境溫度: |
計量閥: SUS304、SUS316 |
電機: 二相、三相標準電機或防爆電機 |
閥球: 二氧化硅、SUS304、SUS316、陶瓷、氧化鋯 |
功率:0.75KW 0.55KW |
密封: 聚四氟乙烯 |
防護等級:IP54 |
型 號 | 流 量(L/H) | 壓 力(Mpa) | 柱塞直徑(MM) | 行 程(MM) | 泵 速(MIN-1) | 功 率(KW) | 進口口徑(MM) | 重 量(KG) |
---|---|---|---|---|---|---|---|---|
JYZ-10/25 | 10 | 25 | 10 | 25 | 96 | 0.75 | 6 | 55 |
JYZ-10/20 | 10 | 20 | 0.55 | |||||
JYZ-15/20 | 15 | 20 | 12 | 0.75 | 8 | |||
JYZ-15/16 | 15 | 16 | 0.55 | |||||
JYZ-20/15 | 20 | 15 | 0.75 | |||||
JYZ-20/12.5 | 20 | 12.5 | 0.55 | |||||
JYZ-25/10 | 25 | 10 | 16 | 0.75 | ||||
JYZ-25/8 | 25 | 8 | 0.55 | |||||
JYZ-40/8 | 40 | 8 | 0.75 | |||||
JYZ-40/6.3 | 40 | 6.3 | 0.55 | 10 | ||||
JYZ-60/5 | 60 | 5 | 20 | 0.75 | ||||
JYZ-60/4 | 60 | 4 | 0.55 | |||||
JYZ-100/4 | 100 | 4 | 25 | 0.75 | ||||
JYZ-100/1.6 | 100 | 1.6 | 0.55 | |||||
JYZ-110/2.5 | 2.5 | 2.5 | 32 | 0.75 | ||||
JYZ-110/1.6 | 1.6 | 1.6 | 0.55 | |||||
JYZ-130/2.2 | 130 | 2.2 | 0.75 | 12 | ||||
JYZ-130/1.6 | 130 | 1.6 | 0.55 | |||||
JYZ-160/2 | 160 | 2 | 35 | 0.75 | ||||
JYZ-160/1.3 | 160 | 1.3 | 0.55 | |||||
JYZ-170/1.6 | 170 | 1.6 | 0.75 | |||||
JYZ-170/1.6 | 170 | 1.6 | 0.55 | |||||
JYZ-190/1.3 | 190 | 1.3 | 40 | 0.75 | ||||
JYZ-190/1 | 190 | 1 | 0.55 | |||||
JYZ-250/1.3 | 250 | 1.3 | 0.75 | |||||
JYZ-250/1 | 250 | 1 | 0.55 |
結構原理 液壓隔膜式式計量泵由電動機傳動機構、液壓系統等組成。
傳動機構
1.行程調節機構由曲軸、偏心輪、調節螺母、調節絲桿、調節手輪(柄)、刻度盤〔指針)和標尺構成,由改變偏心距來達到柱塞的相對行程。
2.由電機動力傳遞給蝸桿、蝸輪實現減速旋轉,促使曲軸、連桿機構作往復運動,帶動柱塞產生液力。
液壓系統
1.液壓隔膜式式計量泵液力端的柱塞由傳動端的曲柄連桿機構的往復運動帶動進行工作。柱塞在液壓腔內作往復運動,促使液壓油的壓力變化,使液壓隔膜式撓曲位移來輸送介質,液壓腔內液壓油量的相對穩定,由三閥的功能來保持。
2.液壓液壓隔膜式式計量泵的液壓系統,其結構由柱塞、缸體、缸蓋、進出口閥、液壓隔膜式和三閥組成(即:放氣過載閥、限位閥、補償閥:)。在工作中由膜片隔開液壓油和介質,故液壓隔膜式式計量泵有無泄漏的優點。
3.過載閥自動排出液壓油中進入液壓腔內的氣體,保證工作的平穩,避免了液壓油過多或排放管道受阻產生超壓自動開啟載載閥,達到保護目的。
4.限位補償裝置是借助液壓隔膜式推動限位閥的開放,按液壓腔內的真空度隨時補充油量,保證液壓腔內液壓油的充滿。
序號 | 零件名稱 | 件數 | 序號 | 零件名稱 | 件數 | |
1 | 電機 | 1 | 25 | 柱塞 | 1 | |
2 | 內六角螺栓 | 4 | 26 | 0型密封圈 | ||
3 | 彈簧墊圈 | 4 | 27 | 0型密封圈 | 1 | |
4 | 上軸承座 | 1 | 28 | 進油閥總成 | 1 | |
5 | 內六角螺栓 | 4 | 29 | 進出水接口 | 1 | |
6 | 彈簧墊圈 | 8 | 30 | 單向閥總成 | 2 | |
7 | 連桿 | 1 | 31 | 限位閥總成 | 2 | |
8 | 蝸輪 | 1 | 32 | 膜片 | 1 | |
9 | 泵體 | 1 | 33 | 螺帽M16 | 1 | |
10 | 軸承 | 1 | 34 | 彈簧墊圈 | 10 | |
11 | 偏心輪 | 1 | 35 | 泵頭 | 10 | |
12 | 曲軸 | 1 | 36 | 雙頭螺栓 | 1 | |
13 | 軸承 | 1 | 37 | 彈簧墊圈 | 8 | |
14 | 軸承隔套 | 1 | 38 | 螺帽 | 8 | |
15 | 下蓋板 | 1 | 39 | 0型密封圈 | 8 | |
16 | 0型密封圈 | 1 | 40 | 0型密封圈 | 1 | |
17 | 鎖夾 | 1 | 41 | 透氣過載閥總成 | 1 | |
18 | 油池 | 1 | 42 | 柱塞鎖帽 | 1 | |
19 | 密封墊片 | 1 | 43 | 螺絲 | 1 | |
20 | 放油螺塞 | 1 | 44 | 復合軸承 | 3 | |
21 | 油封壓板 | 1 | 45 | 活塞銷 | 1 | |
22 | 油封 | 1 | 46 | 蝸桿 | 1 | |
23 | 0型密封圈 | 1 | 47 | 軸承6007 | 1 | |
24 | 活塞 | 1 | 48 |
泵的安裝
1.將泵浦安裝在高于藥槽200-300皿的堅固基礎上,并水平安裝。
2.泵應安裝在高于地面300-500毫米高混疑土上,將泵以水平狀態校正;多聯泵安裝應注意以泵的相間聯軸器為校正基準,同心度偏差不得超過0.15毫米〔彈性聯軸器),鋼性聯軸器應在0.05毫米之內;
3.吸排管路上不應有急劇的彎頭〔不大于90°),并應盡量減少管路中彎曲和增加阻力的部件。
4.勿將泵浦及藥槽安裝在日光直接照射之處。
5.藥槽平時應補充藥液及保養檢査之需,請置于較寬敞的場所。
6.請勿安裝在易按觸濕氣或腐蝕性氣體之處。
7.泵浦安裝之周圍溫度在-20~+40℃,高度在海拔1000M以下使用。
管路安裝
1.吸入配管通徑不能少于泵的吸入閥口徑,并應盡量縮短吸入管道長度,一般2-3米為宜; 如必須增加長度時,則應適當加長,但長度不得超過5米(但啟動時的吸入液體時間相對延長)。
2.與吸入、排出閥〔法蘭)聯接的管道,不能強行結合而使泵閥增加負荷,不得將管道及閥門等的重量由泵和吸排閥承擔。管路安裝完畢應支承并固定好管件。
特殊液體對管道通量的增加
1.為了確保泵的安全運營以及管路系統的安全,應在排出管道上設置安全閥,如需要減少被輸送液體的脈沖,可在靠近泵排出管路上安裝緩沖器。
2.對于輸送懸浮液及易產生沉淀的介質,在泵的吸入及排出附近應增設閥門及三通,以便在泵運營停止時不拆開管路就能進行缸體內沖洗。
安裝規范
泵安裝的其它技術要求應符合《機械設備安裝工作施工及驗收規范》TJ231 (五)-78-泵安裝的有關規定。
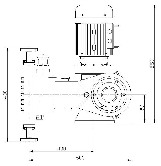
JYZ系列液壓隔膜式計量泵外形安裝尺寸圖
上一條: JYZR型液壓隔膜式計量泵
下一條: JYX型液壓隔膜式計量泵